Ingyenes GLS csomagautomata 14000Ft-tól! Megoldásokat szállítunk 2010 óta

Ipari forgókapcsoló beépíthető 25A átkapcsoló

Ipari forgókapcsoló beépíthető 25A átkapcsoló
Numar articol: 
492253
Ipari forgókapcsoló beépíthető 25A átkapcsoló
Numar articol: 
492253

Állások száma: 4
Névleges áram In (A): 25
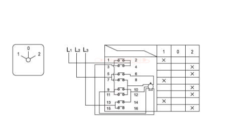
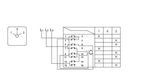
Kapcsolási séma: S19 három pozíció - 2 start és 1 stop pozíció; két fordulatszámú motorok szabályozására; két áramforrás közötti átkapcsolásra (segédáthidalók beépítése után)
LW26 szériájú szakaszolókapcsoló

A LW26 szériájú szakaszolókapcsoló feladata olyan áramkörök be- és kikapcsolása, melyek áramerőssége 20 – 160 amperig terjed. Alapja az excentrikus forgórész általi kapcsolás, mely a kapcsolókar 60 vagy 90 fokos elfordításával történik. Az alapváltozat két, három, vagy négy áramkör közötti átkapcsolásra alkalmas. Léteznek speciálisan kifejlesztett szakaszolókapcsolók is, amelyek meghatározott kapcsolási sémákat hajtanak végre, és villanymotorok, hegesztőgépek, illetve más fogyasztók szabályozására alkalmazhatóak.

A készülék megfelel a következő szabványnak:
EN 60947-1; EN 60947-3-1 Szabvány

Műszaki jellemzők:
Tápfeszültség: 230/400V; 50Hz
Szigetelési feszültség: 690V
Lökőfeszültség-állóság: 6 000V
Mechanikai élettartama: 3х10 5 átkapcsolási ciklus
Üzemi hőmérséklet: 10 - +50°С
Megengedett páratartalom: 35 - 85%RH
Átkapcsolási képesség: max. 160A, a táblázatok szerint
Műanyag: UV sugárzásnak ellenálló
Védettségi fokozat:
- IP42 a normál, kapcsolótáblára szerelhető változat esetében
- IP55 a dobozos változat esetében
Kábelek rögzítése: csavaros kötés
A csavar meghúzási nyomatéka: 1.33Nm
A betáp kábelek max. keresztmetszete: a méretezési táblázat szerint
Tömeg: az érintkezők számától függ

Felszerelés módja:
közvetlen a kapcsolótáblára
a szerelőfelület vastagsága: max. 5mm

Védelem:
IP20
GLS-el leszállítjuk:
21.04.2026
In stoc 5 db
26
15 798 Ft
11 691 Ft
Data de inceput: 07.04.2026   Gata: 30.04.2026
Economii 4 108 Ft
Timp ramas din oferta
ziua
ceas
procent
mp
db
Cauti reduceri?
Niveluri de stoc
Főraktár
5 db
Oferte pachet
Produse similare
Ipari forgókapcsoló beépíthető 25A átkapcsoló
Ipari forgókapcsoló beépíthető 25A átkapcsoló
26
15 798 Ft
11 691 Ft